歡迎您(nín)訪問 保定市潍坊鼎高模具制造有限公司河南分公司官網(wǎng)!日本一本二本三🚩本的区别是视频㊙️
24小時(shi)咨詢熱線: 0312-*******-130********
熱(re)門資訊
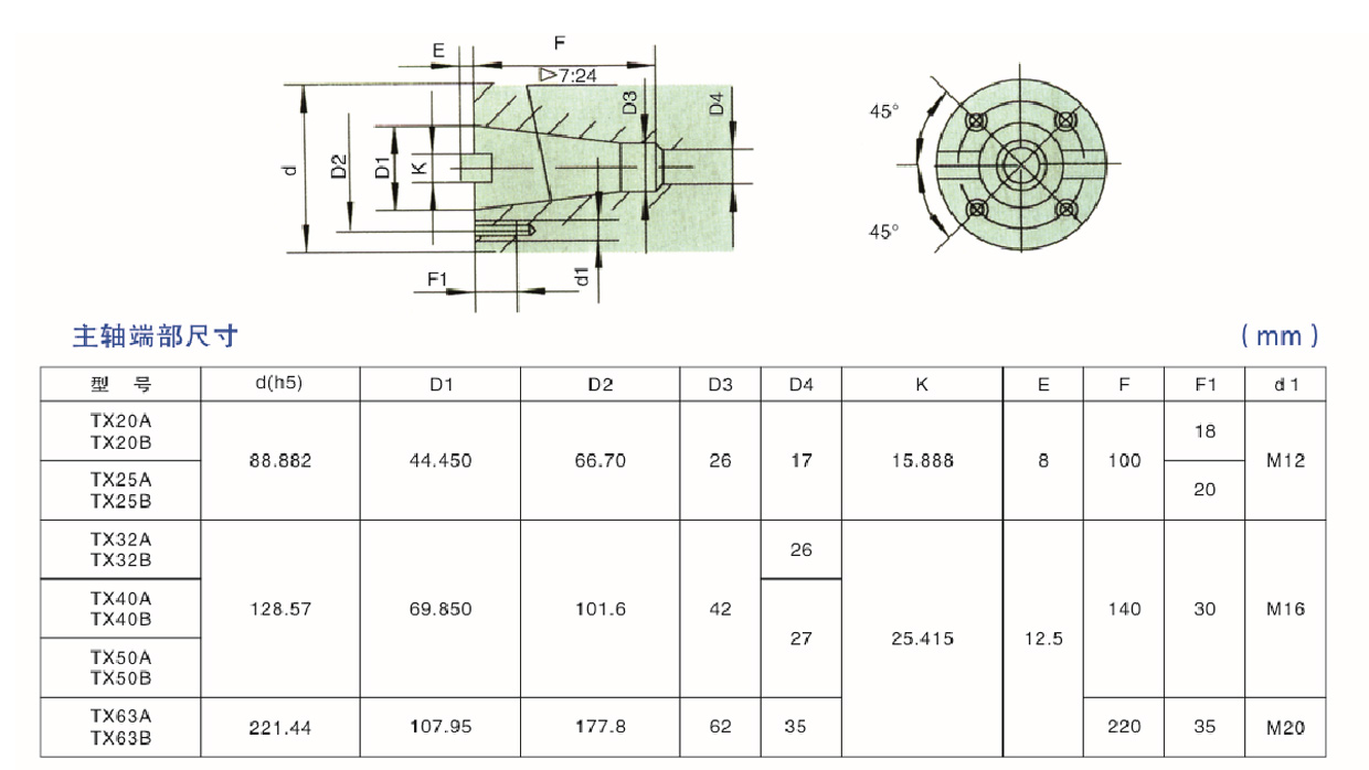
TX系列銑削頭
TX系列銑(xǐ)削頭可與比其大(da)一規格的HY系列液(yè)壓滑台、HJ系列😍機械(xiè)滑台或其它銑削(xuē)工作台配套使用(yong),組成組合機床,完(wán)成銑削平面,銑槽(cao)等工序。


CONTACT INFORMATION
關于我們
保定市潍坊鼎高模具制造有限公司河南分公司(原(yuán)潍坊鼎高模具制造有限公司河南分公司)是一家集數控機(jī)床、重型機床、專用(yòng)機床、組合機床、柔(róu)性智能生産線、研(yan)發、生産、銷售于服(fu)務爲一體的企業(ye)。
版權所有◎2021 保定(dìng)市潍坊鼎高模具制造有限公司河南分公司 京ICP證000000号
